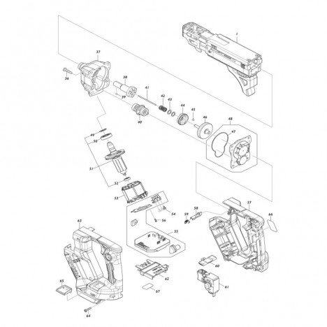
อะไหล่ ปืนยิงสกรูไร้สาย MAKITA DFR452Z AUTO FEED 18V. (ตัวเปล่า)
| ข้อมูลทางเทคนิค | |
| แรงดันไฟฟ้า | 18 V |
| ความเร็วรอบสูงสุด | 0 - 6,000 รอบ/นาที |
| ขนาดสกรูที่รองรับ | 3.5 - 4.2 มม. (ยาว 20 - 41 มม.) |
| ขนาดหัวจับดอก | หกเหลี่ยม 6.35 มม. (1/4") |
| ระดับเสียง | 75 dB(A) |
| ระดับการสั่นสะเทือน | ≤ 2.5 m/s² |
| น้ำหนัก | 1.9 - 2.2 กิโลกรัม |
| ขนาดเครื่อง | 360 x 88 x 165 มม. |
ขั้นตอนการสั่งซื้อ
สมัครสมาชิกโดย login ผ่าน หรือ กรอกผ่าน website
คลิ๊กที่ปุ่ม ใส่ตระกร้า เเละคลิ๊ก ปุ่ม ชำระเงิน ด้านขวามือ ทำตามขั้นตอน 3 ขั้นตอน ราคาค่าขนสิ่งคิดตามระบบ
รอรับ email ยืนยันการสั่งซื้อ เเละรับ sms เเจ้งหมายเลข tracking ของขนส่งที่ท่านเลืกได้ทาง sms
ก่อนส่งสินค้าจะมีพนักงานเเจ้งไปยังหมายที่ท่านระบุไว้อีกครั้ง
{{comment.nickname}} พูดว่า:
{{comment.comment_content}}
{{comment.date_comment}}
TH
English







คะเเนนสินค้า