HOME / เครื่องมือไฟฟ้า / เครื่องมือก่อสร้าง / เครื่องผูกลวด /
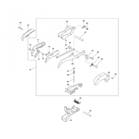
อะไหล่ เครื่องผูกลวดอัตโนมัติ Makita DTR181RTE พร้อมแบต 5 แอมป์ 2 ก้อน และแท่นชาร์จ
| คุณสมบัติ | |
| กำลังไฟ | 18 V |
| ระดับเสียง | 82 dB(A) |
| การสั่นสะเทือน | 2.5 m/s² |
| ขนาดเครื่อง | 304x93x318 mm |
| ขนาดลวดที่ใช้ | Annealed wire Ø 0,8 mm |
| น้ำหนัก | 2.7 kg. |
ขั้นตอนการสั่งซื้อ
1
สมัครสมาชิกโดย login ผ่าน หรือ กรอกผ่าน website 2
คลิ๊กที่ปุ่ม ใส่ตระกร้า เเละคลิ๊ก ปุ่ม ชำระเงิน ด้านขวามือ ทำตามขั้นตอน 3 ขั้นตอน ราคาค่าขนสิ่งคิดตามระบบ 3
รอรับ email ยืนยันการสั่งซื้อ เเละรับ sms เเจ้งหมายเลข tracking ของขนส่งที่ท่านเลืกได้ทาง sms 4
ก่อนส่งสินค้าจะมีพนักงานเเจ้งไปยังหมายที่ท่านระบุไว้อีกครั้ง
{{comment.nickname}} พูดว่า:
{{comment.comment_content}}
{{comment.date_comment}}
TH
English






คะเเนนสินค้า