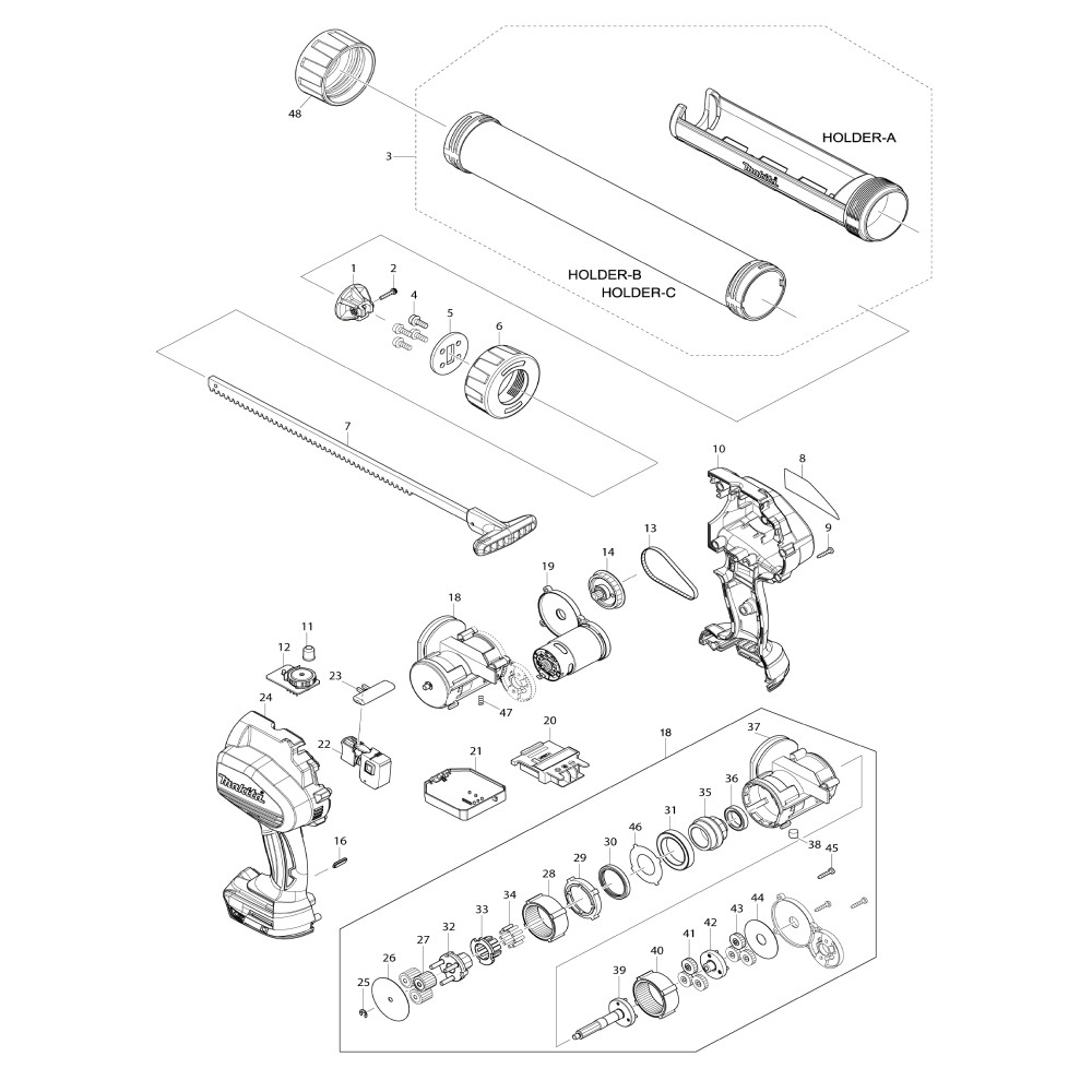
อะไหล่ ปืนยิงซิลิโคนไร้สาย MAKITA รุ่น DCG180RFE
ขั้นตอนการสั่งซื้อ
สมัครสมาชิกโดย login ผ่าน หรือ กรอกผ่าน website
คลิ๊กที่ปุ่ม ใส่ตระกร้า เเละคลิ๊ก ปุ่ม ชำระเงิน ด้านขวามือ ทำตามขั้นตอน 3 ขั้นตอน ราคาค่าขนสิ่งคิดตามระบบ
รอรับ email ยืนยันการสั่งซื้อ เเละรับ sms เเจ้งหมายเลข tracking ของขนส่งที่ท่านเลืกได้ทาง sms
ก่อนส่งสินค้าจะมีพนักงานเเจ้งไปยังหมายที่ท่านระบุไว้อีกครั้ง
{{comment.nickname}} พูดว่า:
{{comment.comment_content}}
{{comment.date_comment}}
TH
English






คะเเนนสินค้า